• LADSIM – Ladder Logic SImulation Software

    LADSIM is a fully functional ladder logic design and PLC simulation software program that incorporates the functions used in PLC ladder programming. LADSIM uses the PC as a virtual PLC. LADSIM has eight internal simulations; Annunciator, Traffic Light, Car Park, Elevator, Drinks Machine, Packing Line, Bottling Plant, and the ICT3. LADSIM has the ability to be connected to external devices, through a suitable interface.

  • PCUSIM – Process Control Simulation Software

    PCUSIM is simulation software used to teach process control. The program is aimed at further and higher education for learning process engineering and process control using Three Term Control (PID) methods.

    PCUSIM has a graphical display of all data in real time. Graphs can be analysed, rewound, saved and printed. Experiments for flow, level, temperature and batch can be performed. It is possible to perform the same experiments many times with the same initial condition and different control parameters, allowing closer comparisons of outcomes.

    For each of the control screens in flow, level, temperature and batch, displays show: the control module, the principle variables being measured, PID parameters, set-point; real-time graph with start time and time base, state of current reading and reading being examined. The simulation software is designed to allow studies to proceed without full time supervision.

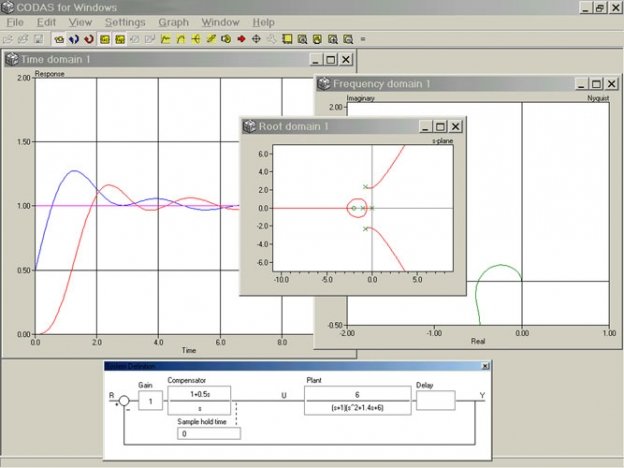
  • WINCODAS – Control System Design Software

    WinCODAS is an application for Control System Design using a Multiple Document Interface (MDI) which allows an arbitrary number of child windows to be created. In each child window the behaviour of a system may be examined in different ways. WinCODAS allows time and frequency responses to be drawn. There is a root domain where root-loci may be plotted either in the s-plane or z-plane.